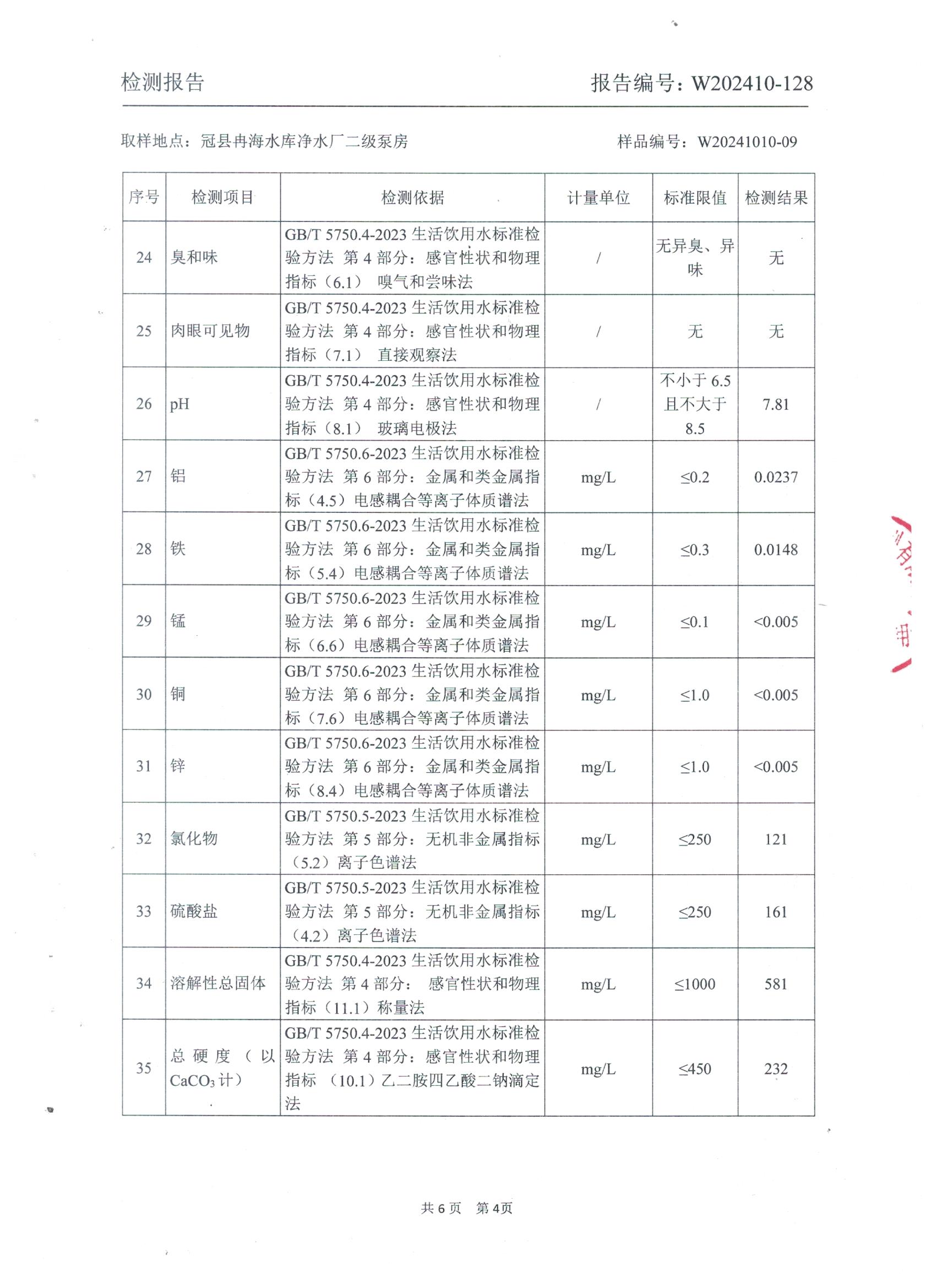
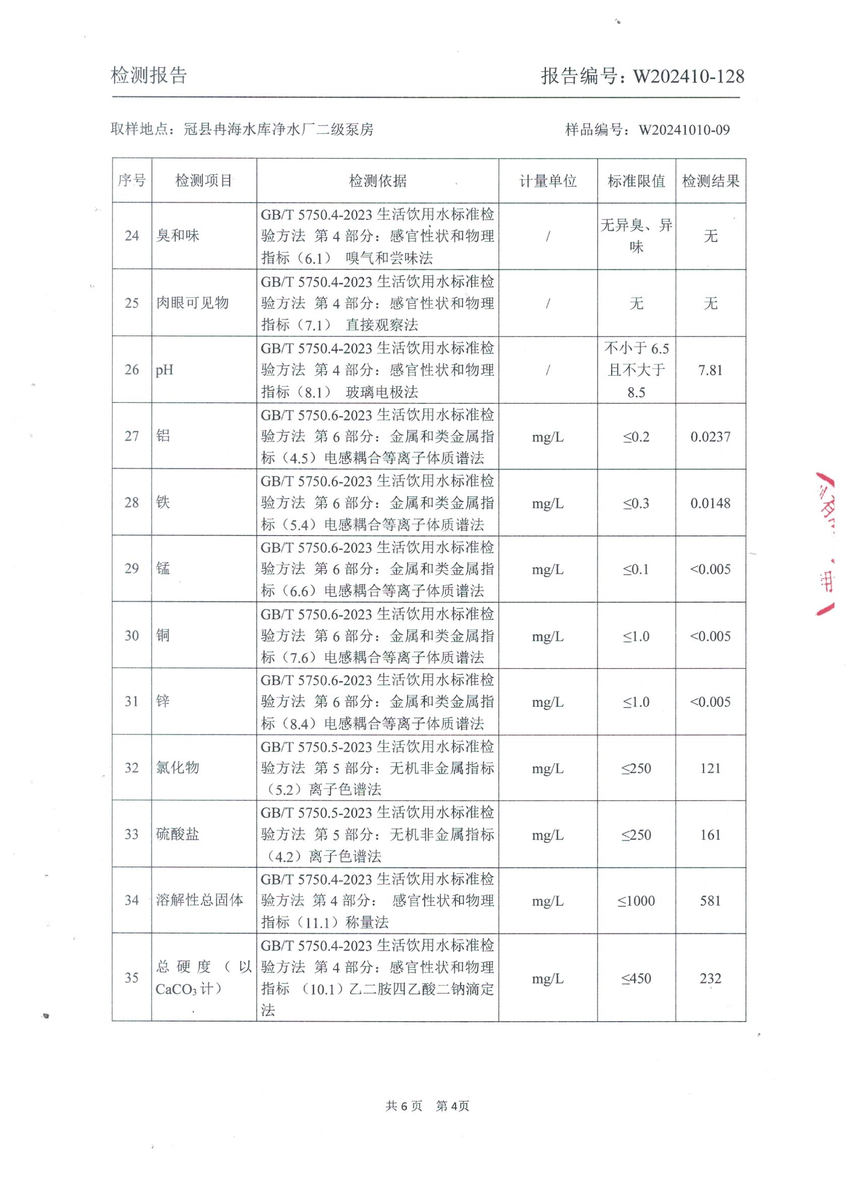
2024年10月出厂水水质检测报告
|
移动访问
|