首页
企业简介
公司动态
政策法规
网上营业厅
营商环境
信息公开
专题专栏
当前位置:
首页
公司动态
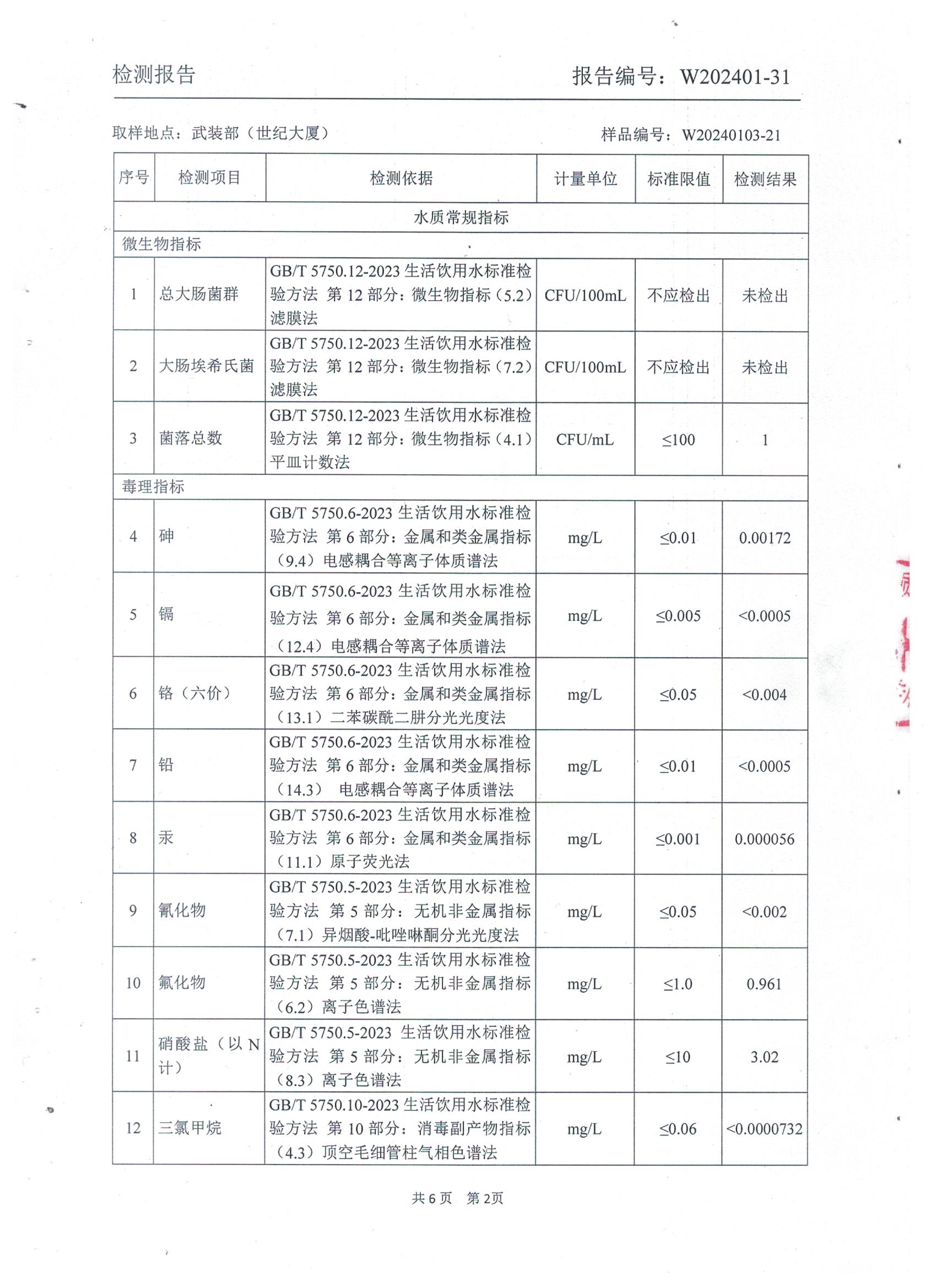
2024年1月城区出厂水武装部(世纪大厦)
2024年1月城区出厂水武装部(世纪大厦)
2024-02-04 16:51:00
掌柜
原创
5728
发表评论
称呼
邮箱
接收邮件提醒
内容
评论通过审核后显示。
友情链接
冠县自来水
冠县水务动态
冠县水费缴纳
冠县水费查询
冠县用水报装
水务政策法规
用水故障报修
自来水销户申请
冠县自来水水质信息
用水知识
办事指南
移动访问